通常而言,金属材料中的成分不均匀性会降低材料性能,研究人员将其看作是材料内部的重大缺陷,因此材料的成分不均匀性很少被用来进行有效的合金设计。但其实,人们对成分不均匀性的积极作用缺乏足够的认识,传统的铸造、锻造等方法一般也无法对材料内部的成分波动实现人为有效的调控。3D打印是一种革命性的快速高效的材料成型技术,为材料的成分不均匀设计提供了新途径。
近日,西安交大前沿院与香港城市大学联合培养的博士毕业生张天隆,所在香港城市大学刘锦川院士团队在利用增材制造设计成分不均匀的钛合金方面取得重大进展,创造性地提出了一种新的3D打印策略,即通过精心调控熔池中不同粉末的混合程度,获得一种前所未见的具有微米级成分梯度结构,展现出熔岩状组织,通过相稳定性调制产生不同尺度的β+α′双相围观结构,引入连续相变诱发的塑性效应,并由此带来优异的力学性能(1.3GPa拉伸强度,9%均匀伸长率),为成分不均匀设计新型合金提供了新思路。该研究成果以“采用增材制造方法原位设计具有浓度调制结构的先进钛合金”(In situ design of advanced titanium alloy with concentration modulations by additive manufacturing)为题,发表在国际顶尖期刊《科学》上。张天隆为论文第一作者,西安交大前沿院为论文第二单位。

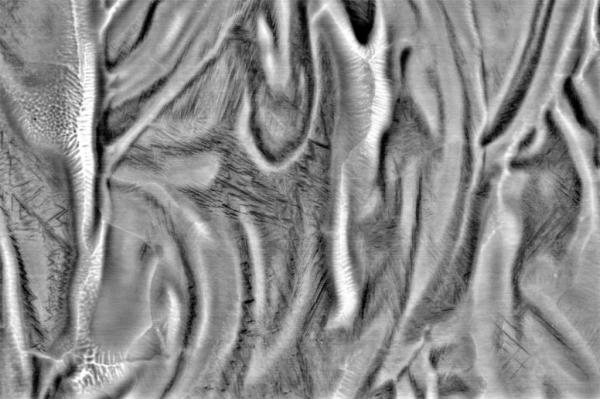
微米尺度成分梯度带来的熔岩状微观结构
研究人员创造性地将成分调制的概念和3D打印结合起来,另辟蹊径地设计出具有微米级成分梯度结构的合金设计策略。该研究工作不仅将增材制造原位合金化中的成分不均匀性变废为宝,成功用来设计成分非均匀的高性能合金材料,更是极大地开拓了增材制造技术的想象空间,使得这项技术不仅仅被用作复杂构件的成型技术,更可以被开发为一种全新的合金设计和制造方法,从而有力地推动增材制造技术实现“材料—结构—性能”一体化智能设计的梦想。
张天隆,2015年取得西安交大理学学士学位,同年进入西安交大前沿院就读研究生,2018年前往香港城市大学进行联合培养,2020年获得博士研究生国家奖学金,2021年取得西安交大博士学位,同年取得香港城市大学博士学位,现任职于香港高等研究院(HKIAS)。张天隆近年来从事先进钛基合金的成分和结构设计,并在材料计算模拟—实验表征等交叉学科领域具有广泛的研究兴趣,已在《自然》《材料学报》《材料快报》等国际权威学术期刊上发表研究论文10余篇,并申请2项相关专利和软件著作权,先后担任多个国际期刊与杂志审稿人。
文章链接:https://www.science.org/doi/10.1126/science.abj3770